Product Description
Most of Ocean Straight Bevel Gear are exported to Europe since 2005. Most of Ocean OEM customers send drawings and Ocean produce as per their drawings, if you do not have drawing, Ocean can also produce as per your sample.
parameter

| Angolodi pressione 20° | Pressure angle 20° | Eingriffswinkel 20° | Angle de pression 20° | Angulo de presion 20° |
| Materiale C45E | Material C45E | Werkstoff C45E | Matière C45E | Material C45E |
| UNI EN 10083-1 | UNI EN 10083-1 | UNI EN 10083-1 | UNI EN 10083-1 | UNI EN 10083-1 |
| Rapporto 1:1 /Ratio 1:1 /Untersetzung 1:1 / Rapport 1:1 /Relaciones 1:1UNI 6588 | ||||||||||||
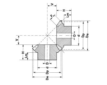
| M | Z | cod. | De | Dp | H | F | d | D | V | L | Lm | S |
| 1.5 | 16 | C27A161 | 26.1 | 24 | 18.9 | 6 | 20.3 | 8 | 7.1 | 16.9 | 12 | 2 |
| 20 | C27A201 | 32.1 | 30 | 20 | 10 | 22 | 10 | 7.4 | 18 | 8.5 | 2 | |
| 22 | C27A221 | 35.1 | 33 | 20 | 10 | 25 | 10 | 8.75 | 18 | 8.25 | 2 | |
| 25 | C27A251 | 39.6 | 37.5 | 23 | 10 | 28 | 10 | 11.09 | 21 | 12 | 2 | |
| 30 | C27A301 | 47.1 | 45 | 25 | 12 | 30 | 12 | 13.35 | 22.5 | 12 | 2.5 | |
| 2 | 16 | C 28A161 | 34.8 | 32 | 235 | 8 | 25.3 | 10 | 9.5 | 205 | 14 | 3 |
| 20 | C28A201 | 42.8 | 40 | 25 | 12 | 32 | 10 | 10.78 | 22 | 12 | 3 | |
| 22 | C28A221 | 46.8 | 44 | 25 | 12 | 36 | 10 | 12.7 | 22 | 11.7 | 3 | |
| 25 | C28A251 | 52.8 | 50 | 28 | 14 | 40 | 12 | 14.28 | 25 | 12.3 | 3 | |
| 30 | C28A301 | 62.8 | 60 | 30 | 16 | 50 | 12 | 17.78 | 27 | 12.8 | 3 | |
| 2.5 | 16 | C 29A161 | 43.5 | 40 | 28.1 | 10 | 30.3 | 12 | 11.9 | 24.6 | 15 | 3.5 |
| 20 | C29A201 | 53.5 | 50 | 30.5 | 12 | 40 | 12 | 15.43 | 27 | 16 | 3.5 | |
| 22 | C29A221 | 58.5 | 55 | 305 | 12 | 45 | 12 | 17.8 | 27 | 15.9 | 3.5 | |
| 25 | C29A251 | 66 | 62.5 | 33.5 | 15 | 50 | 15 | 19.48 | 300 | 16 | 3.5 | |
| 30 | C29A301 | 78.5 | 75 | 35.5 | 18 | 55 | 15 | 23.63 | 32 | 16 | 3.5 | |
| 3 | 16 | C30A161 | 52.2 | 48 | 31.7 | 12 | 40.3 | 15 | 14.3 | 27.7 | 18 | 40 |
| 20 | C30A201 | 64.2 | 60 | 35 | 18 | 45 | 15 | 16 | 31 | 13.6 | 4 | |
| 22 | C 30A221 | 70.2 | 66 | 35 | 18 | 50 | 15 | 19 | 31 | 13 | 40 | |
| 25 | C30A251 | 79.2 | 75 | 38 | 20 | 55 | 15 | 22 | 34 | 16 | 40 | |
| 30 | C 30A301 | 94.2 | 90 | 40 | 22 | 60 | 20 | 28 | 36 | 17 | 40 | |
| 3.5 | 16 | C35A161 | 60.9 | 56 | 36.4 | 14 | 45.3 | 15 | 16.6 | 31.9 | 20 | 4.5 |
| 20 | C35A201 | 74.9 | 70 | 405 | 22 | 55 | 15 | 18.13 | 36 | 17 | 4.5 | |
| 22 | C 35A221 | 81.9 | 77 | 40.5 | 22 | 60 | 15 | 21.5 | 36 | 18 | 4.5 | |
| 25 | C35A251 | 92.4 | 87.5 | 435 | 26 | 65 | 20 | 23.97 | 39 | 18 | 45 | |
| 30 | C35A301 | 109.9 | 105 | 48 | 30 | 70 | 20 | 30.02 | 435 | 19 | 4.5 | |
| 4 | 16 | C 31A161 | 69.6 | 64 | 44.3 | 15 | 50.3 | 15 | 19.7 | 393 | 25 | 5 |
| 20 | C31A201 | 85.6 | 80 | 43 | 25 | 60 | 18 | 20.74 | 38 | 18 | 5 | |
| 22 | C31A221 | 93.6 | 88 | 43 | 25 | 65 | 18 | 24.7 | 38 | 18 | 5 | |
| 25 | C31A251 | 105.6 | 100 | 45 | 28 | 70 | 20 | 28.5 | 40 | 18 | 5 | |
| 30 | C31A301 | 125.6 | 120 | 48 | 32 | 80 | 25 | 35.67 | 43 | 16 | 5 | |
| 4.5 | 16 | C45A161 | 78.3 | 72 | 46.3 | 18 | 55.3 | 18 | 21.7 | 40.3 | 25 | 6 |
| 20 | C 45A201 | 96.3 | 90 | 48 | 28 | 65 | 20 | 23.41 | 42 | 18 | 6 | |
| 22 | C45A221 | 105.3 | 99 | 48 | 28 | 70 | 20 | 27.8 | 42 | 18 | 6 | |
| 25 | C45A251 | 118.8 | 112.5 | 50 | 32 | 75 | 20 | 31.76 | 44 | 18 | 6 | |
| 30 | C45A301 | 141.3 | 135 | 53 | 35 | 90 | 25 | 40.82 | 47 | 17 | 6 | |
| 5 | 16 | C 32A161 | 87 | 80 | 48.9 | 18 | 60.3 | 20 | 25.1 | 42.4 | 24.19 | 6.5 |
| 20 | C32A201 | 107.1 | 100 | 50.5 | 30 | 70 | 20 | 26.86 | 44 | 18.5 | 6.5 | |
| 22 | C32A221 | 117.1 | 110 | 50.5 | 30 | 80 | 20 | 31.7 | 44 | 18.5 | 6.5 | |
| 25 | C 32A251 | 132.1 | 125 | 53.5 | 34 | 90 | 20 | 36.36 | 47 | 18 | 6.5 | |
| 30 | C 32A301 | 157.1 | 150 | 56.5 | 38 | 110 | 30 | 45.97 | 50 | 18 | 6.5 | |

| Rapporto 1:2 /Ratio 1:2 /Untersetzung 1:2/ Rapport 1:2 /Relaciones 1:2UNI6588 | ||||||||||||
| M | Z | cod. | De | Dp | H | F | d | D | V | L | Lm | S |
| 1.5 | 16 | C 27A322 | 26.7 | 24 | 19.5 | 8 | 21 | 10 | 16.33 | 18 | 11.3 | 1.5 |
| 32 | 49.3 | 48 | 20 | 8 | 32 | 12 | 7.45 | 17 | 10 | 3 | ||
| 2 | 16 | C28 A322 | 35.6 | 32 | 23 | 10 | 26 | 10 | 22.41 | 21 | 12.2 | 2 |
| 32 | 65.8 | 64 | 25 | 10 | 40 | 12 | 10.21 | 21 | 10 | 4 | ||
| 2.5 | 16 | C29 A322 | 44.4 | 40 | 27.5 | 12 | 34 | 12 | 28.38 | 25 | 14.4 | 2.5 |
| 32 | 82.2 | 80 | 26 | 12 | 50 | 15 | 13.1 | 20 | 10 | 6 | ||
| 3 | 16 | C 30A322 | 53.4 | 48 | 28 | 15 | 40 | 15 | 33.64 | 25 | 11.6 | 3 |
| 32 | 98.7 | 96 | 30 | 15 | 60 | 15 | 15.31 | 24 | 10 | 6 | ||
| 3.5 | 16 | C 35A322 | 62.3 | 56 | 33.5 | 18 | 48 | 15 | 38.83 | 30 | 14.4 | 3.5 |
| 32 | 115.1 | 112 | 31 | 18 | 70 | 20 | 17.77 | 24 | 10 | 7 | ||
| 4 | 16 | C 31A322 | 71.1 | 64 | 36 | 20 | 50 | 20 | 44.81 | 32 | 13.4 | 4 |
| 32 | 131.6 | 128 | 32 | 20 | 80 | 20 | 20.42 | 24 | 10 | 8 | ||
| 4.5 | 16 | C _45A322 | 80.1 | 72 | 39.5 | 22 | 60 | 20 | 51 | 35 | 15.4 | 4.5 |
| 32 | 148 | 1 44 | 36 | 22 | 90 | 25 | 23.21 | 27 | 10 | 9 | ||
| 5 | 16 | C 32A322 | 88.9 | 80 | 50 | 25 | 60 | 20 | 56.06 | 45 | 21.1 | 5 |
| 32 | 164.5 | 160 | 38 | 25 | 100 | 25 | 25.52 | 28 | 10 | 10 | ||

| Angolodi pressione 20° | Pressure angle 20° | Eingriffswinkel 20° | Angle de pression 20° | Angulo de presion 20° |
| Materiale C45E | Material C45E | Werkstoff C45E | Matière C45E | Material C45E |
| UNI EN 10083-1 | UNI EN 10083-1 | UNI EN 10083-1 | UNI EN 10083-1 | UNI EN 10083-1 |
| Rapporto 1:3 /Ratio 1:3/Untersetzung 1:3 / Rapport 1:3 / Relaciones 1:3UNI6588 | ||||||||||||
| M | Z | cod. | De | Dp | H | F | d | D | V | L | Lm | S |
| 1.5 | 16 | C27A483 | 26.9 | 24 | 24 | 12 | 20 | 10 | 24.3 | 23 | 11.95 | 1 |
| 48 | 72.9 | 72 | 20 | 12 | 50 | 15 | 7.27 | 17 | 10 | 3 | ||
| 2 | 16 | C28A483 | 35.8 | 32 | 28.5 | 15 | 26 | 12 | 33.26 | 27 | 12.4 | 1.5 |
| 48 | 97.3 | 96 | 23 | 15 | 60 | 15 | 9.9 | 19 | 10 | 4 | ||
| 2.5 | 16 | C29A483 | 44.7 | 40 | 32 | 18 | 32 | 12 | 42.41 | 30 | 13 | 2 |
| 48 | 121.6 | 120 | 26 | 18 | 70 | 20 | 13.23 | 21 | 10 | 5 | ||
| 3 | 16 | C30A483 | 53.7 | 48 | 32 | 18 | 40 | 15 | 54.25 | 30 | 12.1 | 2 |
| 48 | 145.9 | 144 | 29 | 18 | 80 | 20 | 16.2 | 23 | 10 | 6 | ||
| 3.5 | 16 | C35A483 | 62.6 | 56 | 38 | 22 | 48 | 15 | 62.29 | 35.5 | 15 | 2.5 |
| 48 | 170.2 | 168 | 31 | 22 | 90 | 20 | 1848 | 24 | 10 | 7 | ||
| 4 | 16 | C31A483 | 71.6 | 64 | 41.5 | 25 | 55 | 20 | 71.23 | 38.5 | 15.2 | 3 |
| 48 | 194.5 | 192 | 33 | 25 | 100 | 22 | 21.2 | 25 | 10 | 8 | ||
| 4.5 | 16 | C45A483 | 80.6 | 72 | 53 | 28 | 60 | 20 | 80.27 | 50 | 23.4 | 3 |
| 48 | 218.6 | 216 | 49 | 28 | 100 | 25 | 23.93 | 40 | 18 | 9 | ||
| 5 | 16 | C32A483 | 89.5 | 80 | 60 | 35 | 60 | 20 | 85.61 | 57 | 22.5 | 3 |
| 48 | 243.1 | 240 | 50 | 35 | 150 | 28 | 25.45 | 40 | 20 | 10 | ||

| Rapporto 1:4 / Ratio 1:4/Untersetzung 1:4/ Rapport 1:4 / Relaciones 1:4UNI6588 | ||||||||||||
| M | Z | cod. | De | Dp | H | F | d | D | V | L | Lm | S |
| 1.5 | 16 | C27A644 | 26.9 | 24 | 25 | 12 | 18 | 10 | 36.02 | 24 | 12.2 | 1 |
| 64 | 96.7 | 96 | 22 | 12 | 70 | 15 | 8.53 | 19 | 10 | 3 | ||
| 2 | 16 | C28A644 | 35.9 | 32 | 24 | 15 | 25 | 12 | 49.07 | 23 | 8.17 | 1 |
| 64 | 129 | 128 | 24 | 15 | 80 | 20 | 10.83 | 20 | 10 | 4 | ||
| 2.5 | 16 | C29A644 | 44.9 | 40 | 30.5 | 18 | 30 | 15 | 61.99 | 29 | 11.7 | 1.5 |
| 64 | 161.2 | 160 | 29 | 18 | 90 | 20 | 13.77 | 24 | 10 | 5 | ||
| 3 | 16 | C30A644 | 53.8 | 48 | 34 | 22 | 40 | 15 | 74.05 | 32 | 11 | 2 |
| 64 | 193.5 | 192 | 30 | 22 | 100 | 20 | 16.41 | 24 | 10 | 6 | ||
| 3.5 | 16 | C35A644 | 62.8 | 56 | 45 | 25 | 48 | 15 | 87.13 | 43 | 19.1 | 2 |
| 64 | 225.7 | 224 | 50 | 25 | 100 | 25 | 19.32 | 43 | 22 | 7 | ||
| 4 | 16 | C31A644 | 71.7 | 64 | 50 | 30 | 50 | 20 | 98.21 | 48 | 18.5 | 2 |
| 64 | 257.9 | 256 | 50 | 30 | 120 | 28 | 21.72 | 42 | 20 | 8 | ||
| 4.5 | 16 | C45A644 | 80.7 | 72 | 53 | 32 | 55 | 20 | 112.08 | 50.5 | 19 | 2.5 |
| 64 | 290.1 | 288 | 53 | 32 | 130 | 30 | 24.83 | 44 | 23 | 9 | ||
| 5 | 16 | C32A644 | 89.7 | 80 | 58 | 35 | 60 | 20 | 125.06 | 55.5 | 20.6 | 2.5 |
| 64 | 322.4 | 320 | 58 | 35 | 150 | 30 | 27.65 | 48 | 25 | 2.5 | ||

| Angolodi pressione 20° | Pressure angle 20° | Eingriffswinkel 20° | Angle de pression 20° | Angulo de presion 20° |
| Materiale C45E | Material C45E | Werkstoff C45E | Matière C45E | Material C45E |
| UNI EN 10083-1 | UNI EN 10083-1 | UNI EN 10083-1 | UNI EN 10083-1 | UNI EN 10083-1 |
| Rapporto 1:1/Ratio 1:1/Untersetzung 1:1/ Rapport 1:1 / Relaciones 1:1 | ||||||||||
| M | Z | cod. | De | Dp | H | F | d | D | V | Lm |
| 1 | 16 | C26B161 | 17.4 | 16 | 11.2 | 4 | 13.3 | 4 | 4.8 | 6.5 |
| 19 | C26B191 | 20.4 | 19 | 11.8 | 4 | 15.3 | 4 | 6.2 | 6.5 | |
| 22 | C26B221 | 23.4 | 22 | 12.8 | 4.7 | 16.3 | 5 | 7.2 | 6.5 | |
| 26 | C26B261 | 27.4 | 26 | 13.3 | 5.5 | 203 | 5 | 8.7 | 7 | |
| 30 | C26B301 | 31.4 | 30 | 16 | 6.4 | 203 | 5 | 10 | 8 | |
| 1.5 | 16 | C27B161 | 26.1 | 24 | 18.9 | 6 | 20.3 | 8 | 7.1 | 12 |
| 19 | C27B191 | 30.6 | 28.5 | 2130 | 7 | 203 | 8 | 8.7 | 12 | |
| 22 | C27B221 | 35.1 | 33 | 22.5 | 7.5 | 25.3 | 8 | 10.5 | 12 | |
| 26 | C27B261 | 41.1 | 39 | 23.2 | 8.5 | 28.3 | 8 | 12.8 | 12 | |
| 30 | C27B301 | 47.1 | 45 | 27.2 | 10 | 30.3 | 12 | 14.8 | 12 | |
| 2 | 16 | C 28B161 | 34.8 | 32 | 23.50 | 8 | 253 | 8 | 9.5 | 14 |
| 19 | C 28B191 | 40.8 | 38 | 24.2 | 9 | 253 | 8 | 11.8 | 12 | |
| 22 | C28B221 | 46.8 | 44 | 27.9 | 10 | 30.3 | 12 | 14.1 | 14 | |
| 26 | C 28B261 | 54.8 | 52 | 31.4 | 12 | 353 | 12 | 16.6 | 14 | |
| 30 | C28B301 | 62.8 | 60 | 34.1 | 13 | 40.3 | 14 | 19.9 | 17 | |
| 2.5 | 16 | C29B161 | 43.5 | 40 | 28.1 | 10 | 303 | 12 | 11.9 | 15 |
| 19 | C29B191 | 51 | 47.5 | 27.1 | 11 | 353 | 12 | 14.9 | 13 | |
| 22 | C29B221 | 58.5 | 55 | 30.1 | 12 | 45.3 | 16 | 17.9 | 16 | |
| 26 | C29B261 | 68.5 | 65 | 33.2 | 15 | 453 | 16 | 20.8 | 16 | |
| 30 | C29B301 | 78.5 | 75 | 39 | 16 | 50.3 | 16 | 25 | 20 | |
| 3 | 16 | C30B161 | 52.5 | 48 | 31.7 | 12 | 403 | 12 | 14.3 | 18 |
| 19 | C 30B191 | 61.2 | 57 | 36 | 13 | 40.3 | 14 | 18 | 17 | |
| 22 | C 30B221 | 70.2 | 66 | 36.9 | 15 | 50.3 | 16 | 21.1 | 17 | |
| 26 | C30B261 | 82.2 | 78 | 38.4 | 17 | 503 | 16 | 25.6 | 18 | |
| 30 | C30B301 | 94.2 | 90 | 43.8 | 19 | 60.3 | 20 | 30.2 | 22 | |
| 3.5 | 16 | C35B161 | 60.9 | 56 | 36.4 | 14 | 453 | 16 | 16.6 | 20 |
| 19 | C35B191 | 71.5 | 66.5 | 37.80 | 15 | 503 | 18 | 21 | 19 | |
| 22 | C 35B221 | 81.9 | 77 | 39.1 | 17 | 55.3 | 20 | 24.9 | 18 | |
| 26 | C35B261 | 96 | 91 | 4335 | 20 | 623 | 20 | 29.7 | 20 | |
| 30 | C 35B301 | 110 | 105 | 47.1 | 23 | 703 | 20 | 34.9 | 22 | |
| 4 | 16 | C31B161 | 69.7 | 64 | 44.3 | 15 | 503 | 16 | 19.7 | 25 |
| 19 | C31B191 | 81.7 | 76 | 44.4 | 18 | 55.3 | 20 | 23.6 | 22 | |
| 22 | C31B221 | 93.7 | 88 | 45.9 | 20 | 60.3 | 20 | 28.1 | 22 | |
| 26 | C31B261 | 109.7 | 104 | 48 | 23 | 70.3 | 20 | 34 | 22 | |
| 30 | C31B301 | 125.7 | 120 | 54.2 | 26 | 80.3 | 25 | 39.8 | 25 | |
| 4.5 | 16 | C45B161 | 78.4 | 72 | 4630 | 17.5 | 55.3 | 20 | 21.7 | 25 |
| 19 | C45B191 | 91.8 | 85.5 | 49 | 20 | 62.3 | 20 | 26.57 | 25 | |
| 22 | C45B221 | 105.3 | 99 | 50.1 | 22 | 703 | 20 | 31.9 | 25 | |
| 26 | C 45B261 | 123 | 117 | 54.7 | 25 | 75.3 | 20 | 38.6 | 26 | |
| 30 | C 45B301 | 141.4 | 135 | 60 | 29 | 803 | 25 | 45 | 28 | |
| 5 | 16 | C32B161 | 87.1 | 80 | 48.90 | 18 | 603 | 20 | 25.1 | 25 |
| 19 | C32B191 | 102.1 | 95 | 52.2 | 22 | 60.3 | 20 | 29.8 | 25 | |
| 22 | C32B221 | 117.1 | 110 | 58.2 | 24 | 803 | 25 | 35.8 | 30 | |
| 26 | C32B261 | 137.1 | 130 | 6270 | 29 | 803 | 25 | 42.3 | 30 | |
| 30 | C 32B301 | 157.1 | 150 | 68.90 | 32 | 803 | 30 | 50.1 | 35 | |

| Angolodi pressione 20° | Pressure angle 20° | Eingriffswinkel 20° | Angle de pression 20° | Angulo de presion 20° |
| Materiale C45E | Material C45E | Werkstoff C45E | Matière C45E | Material C45E |
| UNI EN 10083-1 | UNI EN 10083-1 | UNI EN 10083-1 | UNI EN 10083-1 | UNI EN 10083-1 |
| Rapporto 1:1.5 / Ratio 1:1.5 /Untersetzung 1:1.5 / Rapport 1:1.5 / Relaciones 1:1.5 | ||||||||||||
| M | Z | cod. | De | Dp | H | F | d | D | V | L | Lm | S |
| 1 | 16 | C26B240 | 12 | 16 | 1Z0 | 43 | 133 | 4 | 8 | 13.3 | 7 | 15 |
| 24 | 24.8 | 24 | 14.8 | 43 | 203 | 5 | 5.2 | 9.3 | ||||
| 1.5 | 16 | C27B240 | 27J | 24 | 20.3 | 8 | 20.3 | 8 | 10.7 | 22.7 | 11.8 | 22 |
| 24 | 37.2 | 36 | 24.9 | 8 | 2&3 | 8 | 7.1 | 16 | ||||
| 2 | 16 | C28B240 | 36.2 | 32 | 25.2 | 10 | 253 | 8 | 14.8 | 24.7 | 13.8 | 25 |
| 24 | 49.7 | 48 | 27.2 | 10 | 323 | 8 | 9.8 | 16 | ||||
| 2.5 | 16 | C29B240 | 45.2 | 40 | 30.8 | 13.0 | 323 | 12 | 18.2 | 30.3 | 16.4 | 32 |
| 24 | 62.1 | 60 | 34 | 13.0 | 45.3 | 16 | 12 | 20 | ||||
| 3 | 16 | C30B240 | 543 | 48 | 32.4 | 14.5 | 40.3 | 12 | 22.6 | 32 | 16.4 | 42 |
| 24 | 74.5 | 72 | 36.2 | 14.5 | 553 | 16 | 14.8 | 20 | ||||
| 3.5 | 16 | C35B240 | 63.3 | 56 | 40.4 | 18 | 453 | 16 | 25.6 | 40 | 20.4 | 42 |
| 24 | 86.9 | 84 | 44.2 | 18 | 553 | 20 | 16.8 | 25 | ||||
| 4 | 16 | C31B24O | 72.4 | 64 | 46.8 | 18 | 503 | 16 | 31.2 | 40 | 25.4 | 55 |
| 24 | 993 | 96 | 45.5 | 18 | 60.3 | 20 | 20.5 | 25 | ||||
| 4.5 | 16 | C45B240 | 81.4 | 72 | 47.6 | 20 | 60.3 | 20 | 35.4 | 51.3 | 25J | 65 |
| 24 | 111.7 | 108 | 57.8 | 20 | 80.3 | 25 | 23.2 | 35 | ||||
| 5 | 16 | C32B240 | 90.5 | 80 | 54.1 | 24 | 60.3 | 25 | 37.9 | 54.5 | 25.4 | 6.6 |
| 24 | 124J | 120 | 61.1 | 24 | 80.3 | 30 | 24.9 | 35 | ||||

| Rapporto 1:2 / Ratio 1:2/Untersetzung 1:2/ Rapport 1:2 / Relaciones 1:2 | ||||||||||||
| M | Z | cod. | De | De | H | F | d | D | V | L | Lm | S |
| 1 | 15 | C26B300 | 17.4 | 15 | 11.9 | 5.0 | 13.3 | 4 | 10.1 | 13.7 | 6.5 | 1.4 |
| 30 | 30.6 | 30 | 15.1 | 5.0 | 20.3 | 5 | 4.9 | 9 | ||||
| 1.5 | 15 | C27B300 | 26.1 | 22.5 | 21.1 | 9.0 | 19.3 | 8 | 13.9 | 23.0 | 11.9 | 22 |
| 30 | 45.9 | 45 | 25.2 | 9 | 32.3 | 8 | 6.8 | 16 | ||||
| 2 | 15 | C28B300 | 34.8 | 30.0 | 26 | 11.5 | 25.3 | 8 | 19 | 26.3 | 14.1 | 3 |
| 30 | 61.2 | 60 | 29.8 | 11.5 | 403 | 14 | 9.2 | 18.0 | ||||
| 2.5 | 15 | C29B300 | 43.5 | 37.5 | 318 | 15.0 | 32.3 | 12 | 23.2 | 30 | 16.2 | 3.7 |
| 30 | 76.5 | 75.0 | 33.7 | 15 | 45.3 | 16 | 11.3 | 20 | ||||
| 3 | 15 | C30B300 | 52.2 | 45 | 37.3 | 17.0 | 40.3 | 12 | 28.7 | 38 | 19.9 | 4.1 |
| 30 | 91.8 | 90 | 42.1 | 17 | 55.3 | 16 | 13.9 | 25 | ||||
| 3.5 | 15 | C35B300 | 60.9 | 52.5 | 46.1 | 20.5 | 45.3 | 16 | 32.9 | 40 | 24.7 | 5 |
| 30 | 107.1 | 105 | 45 | 20.5 | 60.3 | 20 | 16 | 25 | ||||
| 4 | 15 | C31B300 | 69.6 | 60 | 48.6 | 22.5 | 50.3 | 20 | 38.4 | 51.9 | 24.6 | 5.4 |
| 30 | 122.3 | 120.0 | 57.3 | 22.5 | 80.3 | 25 | 18.7 | 35 | ||||
| 4.5 | 15 | C45B300 | 78.3 | 67.5 | 51.4 | 26 | 603 | 20 | 42.6 | 54.3 | 24.7 | 6 |
| 30 | 137.6 | 135 | 60.3 | 26 | 80.3 | 30 | 20.7 | 35 | ||||
| 5 | 15 | C32B300 | 87 | 75 | 57.6 | 30 | 60.3 | 25 | 46.4 | 56 | 253 | 6.5 |
| 30 | 152.9 | 150 | 62.5 | 30 | 80.3 | 30 | 22.5 | 35 | ||||

| Angolodi pressione 20° | Pressure angle 20° | Eingriffswinkel 20° | Angle de pression 20° | Angulo de presion 20° |
| Materiale C45E | Material C45E | Werkstoff C45E | Matière C45E | Material C45E |
| UNI EN 10083-1 | UNI EN 10083-1 | UNI EN 10083-1 | UNI EN 10083-1 | UNI EN 10083-1 |
| Rapporto 1:2.5 / Ratio 1:2.5/Untersetzung 1:2.5 / Rapport 1:2.5 / Relaciones 1:2.5 | ||||||||||||
| M | Z | cod. | De | Dp | H | F | d | D | V | L | Lm | S |
| 1 | 16 | C26B400 | 18.6 | 16 | 14.4 | 6.5 | 13.3 | 4 | 13.6 | 13 | 7.4 | 1.8 |
| 40 | 40.4 | 40 | 14.8 | 6.5 | 25.3 | 8 | 5.2 | 9 | ||||
| 1.5 | 16 | C27B400 | 27.9 | 24 | 24.2 | 115 | 20.3 | 8 | 18.8 | 25.5 | 12.3 | 23 |
| 40 | 60.7 | 60 | 27.8 | 11.5 | 40.3 | 14 | 7.2 | 18 | ||||
| 2 | 16 | C28B400 | 37.2 | 32 | 29.6 | 15 | 25.3 | 8 | 25.4 | 29 | 13.7 | 3.4 |
| 40 | 80.9 | 80 | 32.4 | 15 | 45.3 | 16 | 9.6 | 20 | ||||
| 2.5 | 16 | C29B400 | 46.4 | 40 | 38.4 | 19 | 32.3 | 12 | 31.6 | 35.9 | 18.5 | 3.9 |
| 40 | 101.1 | 100 | 39.8 | 19 | 55.3 | 16 | 12.2 | 25.0 | ||||
| 3 | 16 | C30B400 | 55.7 | 48 | 41.9 | 21.5 | 40.3 | 16 | 39.1 | 44 | 19.6 | 3.9 |
| 40 | 121.4 | 120 | 47.9 | 21.5 | 60.3 | 20 | 15.1 | 30 | ||||
| 3.5 | 16 | C35B400 | 65 | 56 | 49.1 | 22.6 | 45.3 | 20 | 47.9 | 50 | 25 | 46 |
| 40 | 141.6 | 140 | 54.6 | 22.6 | 80.3 | 25 | 18.4 | 35 | ||||
| 4 | 16 | C31B400 | 743 | 64 | 52.5 | 26 | 55.3 | 20 | 54.5 | 50.5 | 25.3 | 65 |
| 40 | 161.8 | 160 | 57 | 26 | 80.3 | 30 | 21 | 35.0 | ||||
| 4.5 | 16 | C45B400 | 83.6 | 72 | 563 | 30 | 60.3 | 25 | 60.7 | 53 | 24.6 | 67 |
| 40 | 182.1 | 180 | 59.7 | 30 | 80.3 | 30 | 23.3 | 35.0 | ||||
| 5 | 16 | C32B400 | 92.9 | 80 | 65.4 | 32.0 | 60.3 | 25 | 68.6 | 58.3 | 30.1 | 7.4 |
| 40 | 2023 | 200 | 65.7 | 32.0 | 90.3 | 30 | 26.3 | 40 | ||||

| Angolodi pressione 20° | Pressure angle 20° | Eingriffswinkel 20° | Angle de pression 20° | Angulo de presion 20° |
| Materiale C45E | Material C45E | Werkstoff C45E | Matière C45E | Material C45E |
| UNI EN 10083-1 | UNI EN 10083-1 | UNI EN 10083-1 | UNI EN 10083-1 | UNI EN 10083-1 |
| Rapporto 1:3.5 / Ratio 1:3.5 /Untersetzung 1:3.5 / Rapport 1:3.5 / Relaciones 1:3.5 | ||||||||||||
| M | Z | cod. | De | Dp | H | F | d | D | V | L | Lm | S |
| 1 | 16 | C26B560 | 18.7 | 16 | 16.6 | 8.7 | 13.3 | 4 | 19.4 | 14.2 | 7.6 | 2.5 |
| 56 | 56.3 | 56 | 16.7 | 8.7 | 30.3 | 8 | 5.3 | 10 | ||||
| 1.5 | 16 | C27B560 | 28 1 | 24 | 24.0 | 12 | 20.3 | 8 | 30.0 | 32 | 11.5 | 2.8 |
| 56 | 84.5 | 84 | 34.8 | 12 | 45.3 | 14 | 8.2 | 25 | ||||
| 2 | 16 | C28B560 | 37.5 | 32 | 30.9 | 16 | 25.3 | 8 | 40.1 | 33.3 | 14.1 | 3.8 |
| 56 | 112.6 | 12 | 37.1 | 16 | 55.3 | 16 | 10.9 | 25 | ||||
| 2.5 | 16 | C29B560 | 46.8 | 40 | 38.9 | 20 | 32.3 | 12 | 50.1 | 40 | 17.9 | 4.4 |
| 56 | 140.8 | 140 | 44.4 | 20 | 60.3 | 16 | 13.6 | 30.0 | ||||
| 3 | 16 | C30B560 | 56.2 | 48 | 49.9 | 24 | 40.3 | 16 | 60.1 | 47.5 | 24.9 | 5.2 |
| 56 | 169 | 168 | 52.7 | 24 | 80.3 | 20 | 16.3 | 35 | ||||
| 3.5 | 16 | C35B560 | 65.6 | 56 | 52 | 25 | 25.3 | 20 | 73.0 | 49.1 | 25 | 6.0 |
| 56 | 197.1 | 196 | 55.1 | 25 | 80.3 | 25 | 19.9 | 35 | ||||