Product Description
Free-flowing chain refers to a chain whose moving tempo can be controlled according to the requirements of users under the condition that the moving speed of the chain is constant during operation. Under the condition that the running speed of the chain is constant. the speed of conveying articles can be adjusted according to the specific use requirements.It mainly includes: double speed chain, conveyor chain with big roller.conveyor chain with side roller, conveyor chain with special roller, conveyor chain with top roller with short pitch, conveyor chain with top roller with double pitch. etc.
Using high-quality materials and advanced processing technology, the product has the characteristics of anti-static, low noise, stable and reliable transportation, etc.
Schematic diagram of double speed calculation model of typical double speed chain Since the roller diameter D can be multiplied by the roller diameter D, the speed-increasing effect of the double-speed chain can be multiplied. The specific calculation formula is as follows.
Parameter

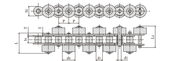
| Chain No. | Pitch | Roller diameter | Width between inner plates | Pin diameter | Pin length | Plate dimension | Tensile strength | Average tensile strength | Weight per meter | |||
| P | d1 max | d8 max | b1 min | d2 max | L max | Lc max | h2 max | T max | Q min | Q0 | q | |
| mm | mm | mm | mm | mm | mm | mm | mm | mm | kN/lbf | kN | kg/m | |
| 40-PSR | 12.700 | 7.95 | 15.88 | 7.85 | 3.96 | 25.8 | 27.0 | 12.0 | 1.50 | 13.8/3102 | 17.50 | 1.60 |
| *40S | 12.700 | 7.95 | 15.88 | 7.85 | 3.96 | 25.8 | 27.0 | 12.0 | 1.50 | 13.8/3102 | 17.50 | 0.90 |
| 40S-C | 12.700 | 7.95 | 15.88 | 7.85 | 3.96 | 25.8 | 27.0 | 12.0 | 1.50 | 15.2/3417 | 18.20 | 1.65 |
| 50-SR-C | 15.875 | 10.16 | 19.05 | 9.40 | 5.08 | 31.8 | 34.0 | 15.1 | 2.03 | 21.8/4900 | 29.40 | 2.40 |
| *60S | 19.050 | 11.91 | 22.23 | 12.57 | 5.94 | 40.0 | 42.5 | 18.0 | 2.42 | 31.8/7227 | 38.10 | 1.90 |
| 60S-C | 19.050 | 11.91 | 22.23 | 12.57 | 5.94 | 40.0 | 42.5 | 18.0 | 2.42 | 31.8/7149 | 38.10 | 3.63 |
| *80S | 25.400 | 15.88 | 28.58 | 15.75 | 7.92 | 51.3 | 54.3 | 24.0 | 3.25 | 56.7/12886 | 69.40 | 3.60 |
| 80S-C | 25.400 | 15.88 | 28.58 | 15.75 | 7.92 | 51.3 | 54.3 | 24.0 | 3.25 | 56.7/12886 | 69.40 | 5.80 |
| Note:*means roller made in plastic. | ||||||||||||

| Chain No. | Pitch | Roller diameter | Width between inner plates | Pin diameter | Pin length | Plate dimension | Tensile strength | Average tensile strength | Weight per meter | |||
| P | d1 max | d8 max | b1 min | d2 max | L max | Lc max | h2 max | T max | Q min | Q0 | q | |
| mm | mm | mm | mm | mm | mm | mm | mm | mm | kN/lbf | kN | kg/m | |
| C2040S2-PSR | 25.40 | 7.95 | 15.88 | 7.85 | 3.96 | 25.8 | 27.0 | 12.0 | 1.50 | 13.8/3137 | 15.2 | 0.99 |
| C2050S | 31.75 | 10.16 | 19.05 | 9.40 | 5.08 | 31.8 | 34.0 | 15.0 | 2.03 | 21.8/4955 | 23.9 | 1.52 |
| C2052SF1 | 31.75 | 19.05 | 27.00 | 9.40 | 5.08 | 35.0 | 37.3 | 15.0 | 2.03 | 21.8/4955 | 23.9 | 3.06 |
| 24BSF1 | 38.10 | 25.40 | 44.15 | 25.40 | 14.63 | 82.0 | 86.5 | 33.2 | 6.00/4.80 | 160.0/35968 | 176.0 | 15.33 |
| *C2060HS | 38.10 | 11.91 | 22.23 | 12.57 | 5.94 | 44.0 | 46.6 | 18.0 | 3.25 | 31.1/7069 | 34.3 | 1.78 |
| C2060SF7 | 38.10 | 11.91 | 22.23 | 12.57 | 5.94 | 45.5 | 48.0 | 18.0 | 2.42 | 31.1/6991 | 34.3 | 2.92 |
| *C2062HSF6 | 38.10 | 22.23 | 30.00 | 12.57 | 5.94 | 45.0 | 47.8 | 18.0 | 3.25 | 31.1/6991 | 34.3 | 2.68 |
| C2082HSF2 | 50.80 | 28.58 | 40.00 | 15.75 | 7.92 | 54.6 | 57.8 | 24.0 | 4.00 | 55.6/12500 | 69.4 | 6.64 |
| *C2100HS-P | 63.50 | 19.05 | 39.69 | 18.90 | 9.53 | 65.3 | 68.6 | 30.0 | 4.80 | 86.7/19490 | 109.2 | 4.44 |
| Note:*means roller made in plastic | ||||||||||||

| Chain No. | Pitch | Roller diameter | Width between inner plates | Pin diameter | Pin length | Plate dimension | Tensile strength | Weight per meter | |||||
| P | d1 max | d8 max | b1 min | d2 max | L1 max | L2 max | Lc1 max | Lc2 max | h2 max | T max | Q min | q | |
| mm | mm | mm | mm | mm | mm | mm | mm | mm | mm | mm | kN/lbf | kg/m | |
| *08BSR2F1-P | 12.700 | 8.51 | 15.88 | 7.75 | 4.45 | 16.7 | 34.7 | 19.3 | 36.5 | 11.80 | 1.60 | 18.0/4046 | 0.96 |
| 40S2-SR | 12.700 | 7.95 | 15.88 | 7.85 | 3.96 | 16.6 | 35.3 | 18.8 | 37.2 | 12.00 | 1.50 | 14.1/3169 | 1.64 |
| 50SF1-C | 15.875 | 10.16 | 19.05 | 9.40 | 5.08 | 20.7 | 42.8 | 23.3 | 45.0 | 15.09 | 2.03 | 21.8/4900 | 2.41 |
| *50SF1-P | 15.875 | 10.16 | 19.05 | 9.40 | 5.08 | 20.7 | 42.8 | 23.3 | 45.0 | 15.09 | 2.03 | 21.8/4901 | 1.17 |
| 60S2-C | 19.050 | 11.91 | 22.23 | 12.57 | 5.94 | 25.9 | 54.0 | 28.3 | 56.6 | 18.00 | 2.42 | 31.8/7149 | 3.62 |
| 100S2 | 31.750 | 9.53 | 36.70 | 18.90 | 9.53 | 40.4 | 83.0 | 44.7 | 87.0 | 30.00 | 4.00 | 86.7/49490 | 9.09 |
| 100S2F1 | 31.750 | 19.05 | 39.40 | 18.90 | 9.53 | 40.4 | 83.0 | 44.7 | 86.9 | 30.00 | 4.00 | 86.7/21224 | 8.55 |
| Note:*means roller made in plastic | |||||||||||||

| Chain No. | Pitch | Roller diameter | Width between inner plates | Pin diameter | Pin length | Plate dimension | Tensile strength | Weight per meter | |||||
| P | d1 max | d8 max | b1 min | d2 max | L1 max | L2 max | Lc1 max | Lc2 max | h2 max | T max | Q min | q | |
| mm | mm | mm | mm | mm | mm | mm | mm | mm | mm | mm | kN/lbf | kg/m | |
| C2050S2 | 31.75 | 10.16 | 19.05 | 9.40 | 5.08 | / | 42.8 | / | 45.0 | 15.0 | 2.03 | 21.8/4899 | 2.20 |
| *C2052SF2-P25.4 | 31.75 | 19.05 | 25.40 | 9.40 | 5.08 | 20.7 | 49.2 | 23.3 | 51.1 | 15.0 | 2.03 | 21.8/4900 | 1.23 |
| C2060HS-C | 38.10 | 11.91 | 30.00 | 12.57 | 5.94 | 29.2 | 57.6 | 31.6 | 59.2 | 18.0 | 3.25 | 31.8/7149 | 3.42 |
| C2062HS-C | 38.10 | 22.23 | 30.00 | 12.57 | 5.94 | / | 57.6 | / | 59.2 | 18.0 | 3.25 | 31.8/7149 | 5.97 |
| C2062-SR2F1 | 38.10 | 22.23 | 30.00 | 12.57 | 5.94 | 25.9 | 53.7 | 28.3 | 55.6 | 18.0 | 2.42 | 31.1/6991 | 2.95 |
| *C2062SR2F1-PA6 | 38.10 | 22.23 | 30.50 | 12.57 | 5.94 | 25.9 | 56.0 | 28.3 | 58.5 | 18.0 | 2.42 | 31.1/6991 | 2.35 |
| Note:*means roller madein plastic | |||||||||||||
Catalogue